GPS01: модуль GPS с высокой точностью низкого энергопотребления.

1188,00
р.
GPS01-это модуль GPS, который поддерживает частоту BDS B1/GPS L1/Glonass L1 (два из трех) навигацию с двумя режимами. Он обеспечивает высокую чувствительность, высокую точность позиционирования, низкое энергопотребление и низко стоимость позиционирования и навигационных решений для изготовления навигационных и позиционированных терминальных продуктов, таких как транспортное средство, судов, портативные и носимые.
___________________________________________________________________

Связаться с нами
Документы
Особенности и применение
Типичная схема применения
Механические размеры

Особенности и применение

Особенности GPS-модуля GPS01

  • Поддержка частотной точки BDS B1/GPS L1/ГЛОНАСС L1
  • С интерфейсом ввода резервного питания
  • Поддержка горячего старта
  • Поддержка внешнего сброса
  • Поддерживаются следующие шесть рабочих режимов, и их можно переключать с помощью команд:
  • 1) Одиночный рабочий режим BDS B1
  • 2) Одиночный рабочий режим GPS L1
  • 3) Одиночный рабочий режим ГЛОНАСС L1
  • 4) Двухрежимный рабочий режим BDS B1/GPS L1 ( режим по умолчанию)
  • 5) Двухрежимный рабочий режим ГЛОНАСС L1/BDS B1
  • 6) Двойной режим ГЛОНАСС L1/GPS L1 режим рабочий режим

Применение GPS-модуля GPS01

  • Продукты для персонального позиционирования и навигации
  • Расположение транспортных средств, кораблей и навигация
  • Интернет вещей
  • Портативное портативное устройство

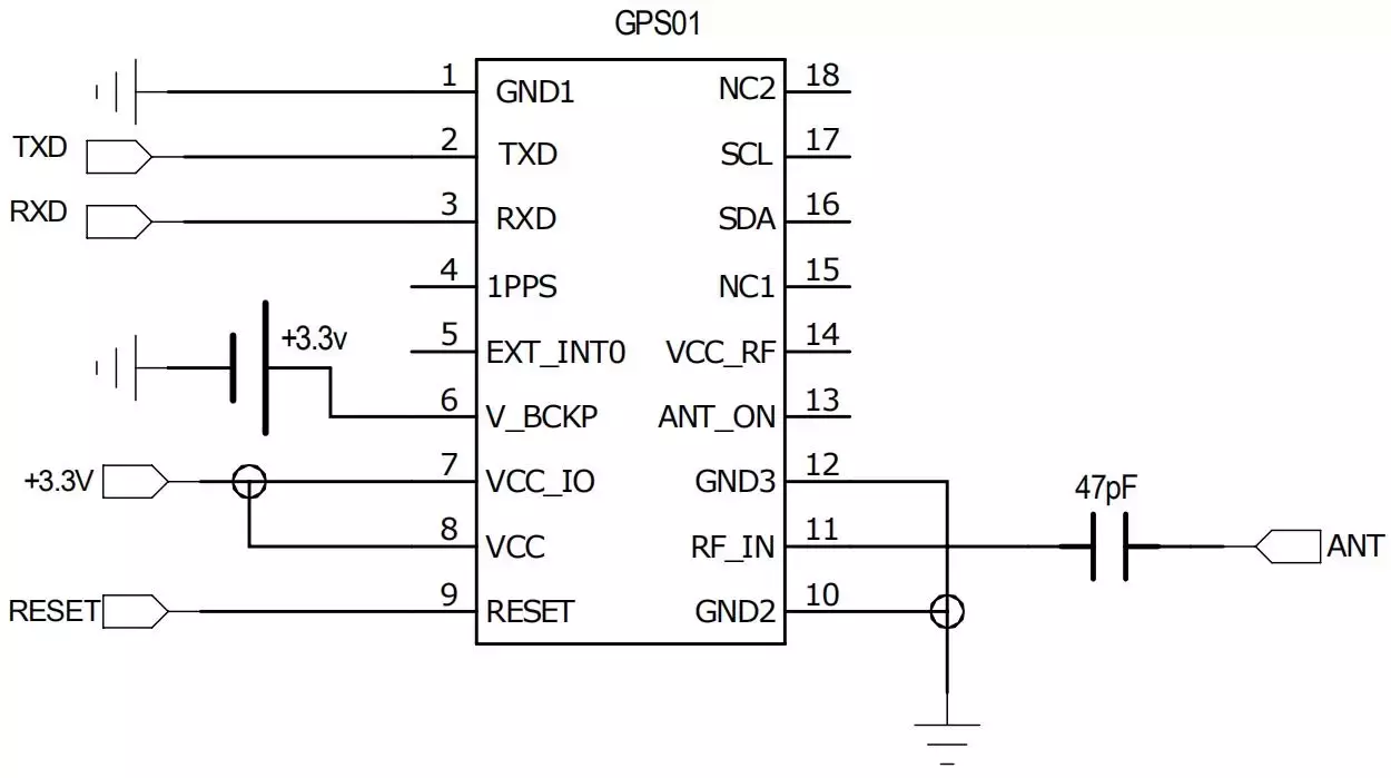
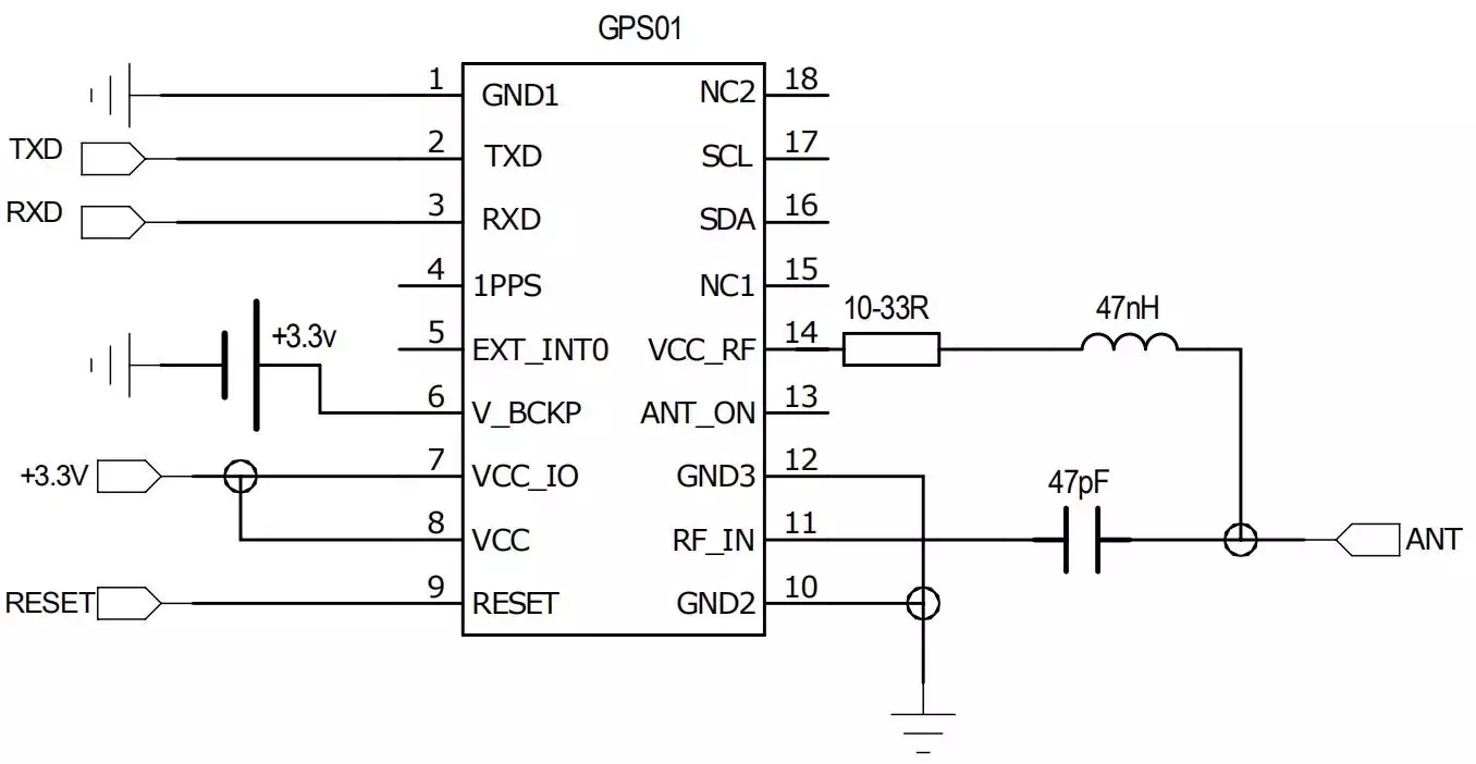
Типичная схема применения

Способ подключения активной антенны следующий:

Способ подключения пассивной антенны следующий:

Механические размеры