SK200Pro: 1-канальный модуль беспроводного переключателя LoRa мощностью 100 мВт с возможностью работы в сети

  • SK200Pro — это промышленный беспроводной коммутатор мощностью 100 мВт. Он состоит из SK200PRO-TX (модуль передатчика) и SK200PRO-RX (модуль приемника). В беспроводной конструкции используется технология LoRa, которая обладает высокой чувствительностью приема и высокой защитой от помех. Его расстояние связи и чувствительность приема лучше, чем у модуляции FSK и GFSK. В режиме работы «один ко многим» в сотрудничестве со специальной сетью MESH, которая поставляется с принимающей стороной, он может формировать сетевую передачу без слепых зон и ограничений по расстоянию.
  • Модуль обеспечивает один входной сигнал и один интерфейс вывода управления. Он имеет характеристики простого интерфейса и надежной работы. Пользователи могут комбинировать наш интерфейс ПК для настройки и изменения внутренних параметров модуля. Параметры приемника можно настроить с помощью передатчика по беспроводной сети, что удобно для онлайн-изменения. Одновременная связь нескольких пар не будет мешать друг другу, она гибка и удобна в использовании.
  • SK200PRO строго использует бессвинцовый процесс производства и тестирования и соответствует стандартам RoHS и Reach.
___________________________________________________________________

Связаться с нами
Документы
Особенности и применение
Типичная схема применения
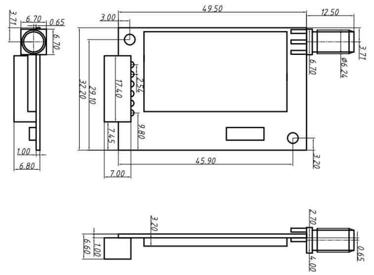
Механические размеры

Особенности и применение

Особенности модуля беспроводного коммутатора SK200Pro

  • Функция сети MESH
  • Диапазон рабочих частот: 433/490/868/915 МГц опционально
  • Чувствительность до -132 дБм
  • Встроенный программный сторожевой алгоритм.
  • Встроенная аппаратная схема защиты от сбоев
  • Частота передачи может быть настроена произвольно.
  • Несколько режимов работы
  • Схема защиты от перегрузки по току, перенапряжения, обратного подключения
  • Встроенная схема защиты от аппаратного сброса
  • Встроенная схема антистатической защиты.
  • Режим модуляции LoRa
  • Мощность передатчика выбирается: (100 мВт ~ 5 Вт)
  • Поддержка параметров беспроводной модификации
  • Диапазон рабочих температур: -40 ~ + 85 ° C

Применение модуля беспроводного переключателя SK200Pro

  • Цифровой пульт дистанционного управления
  • Система безопасности
  • Беспроводное управление насосом
  • Беспроводное управление удаленным доступом

Типичная схема применения

Механические размеры

SK200PRO-TX-100мВт


Приемный модуль SK200PRO-RX