LoRa-CC68-915: одобренный FCC ID модуль SPI Port LLCC68 на базе LoRa

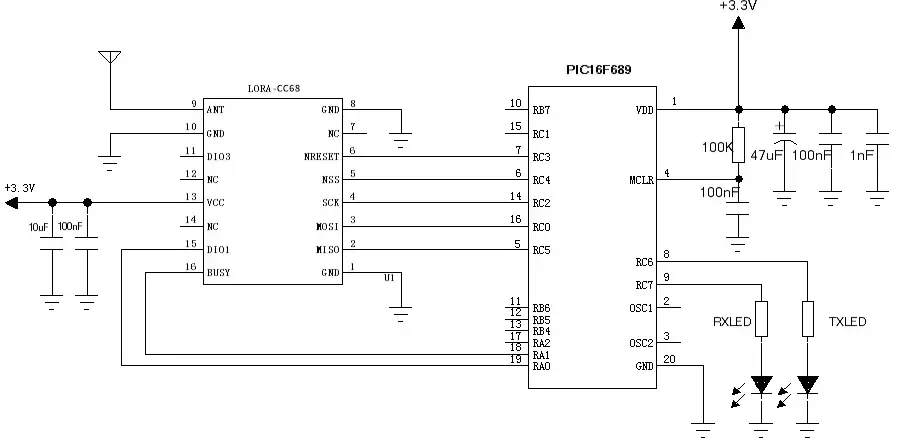
  • LoRa-CC68 Модуль LoRa использует устройство LLCC68 компании Semtech и промышленный высокоточный кварцевый генератор, которые делают модуль сверхнизким приемным током, низким током сна и хорошей чувствительностью -129 дБм. Он может периодически пробуждать внешний микроконтроллер при низком энергопотреблении благодаря встроенному генератору 64 кГц. Антенный переключатель модуля интегрирован и управляется радиочастотным чипом, что экономит ресурсы внешнего MCU. Кроме того, LoRa-CC68 имеет компактные размеры и выходную мощность 22 дБм (160 мВт), что дает большие преимущества в приложениях IoT и с батарейным питанием.
  • LoRa-CC68 производится и тестируется строго с использованием бессвинцовых процессов и соответствует стандартам RoHS и REACH.
  • LoRa-CC68 получил сертификат CE-RED при частоте 868 МГц и сертификат FCC ID при частоте 915 МГц.
Документы
Функции и приложение
Требование антенны
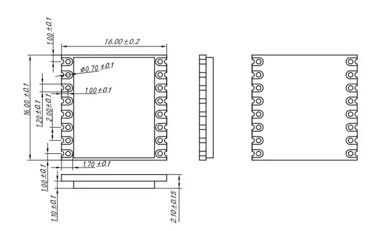
Механические размеры

Функции и приложение

Особенности LLCC68 LORA MODULE LORA-CC68

  • Диапазон частоты: 433/490/868/915 МГц (настраиваемая 150-960 МГц)
  • Чувствительность : -129DBM @lora
  • Максимальная выходная мощность: 22 дБм (160 МВт)
  • Промышленная оценка высокая точность кристаллического осциллятора
  • Лора, (g) FSK
  • 255 байтов FIFO
  • Скорость передачи данных: 0,6-300 кбит / с @FSK 1,76-62,5 кбит / с @lora

Приложения LLCC68 LORA MODULE LORA-CC68

  • Чтение промышленного счетчика
  • Управление датчиками парковки
  • Промышленная автоматизация
  • Сельскохозяйственный датчик
  • Умный город
  • Дистанционное управление
  • Уличные огни
  • Управление логистикой
  • Экологический датчик
  • Здравоохранение
  • Продукты безопасности
  • Управление складом

Требование антенны

Механические размеры