CC68-C1-868/915: LLCC68 FCC ID & CE-RED Certified Module с интерфейсом SPI

▎Модуль LORA CC68-C1: Идеальное решение для IoT-приложений

Ищете надежный и энергоэффективный модуль для беспроводной передачи данных? Познакомьтесь с модулем LORA CC68-C1 — вашим идеальным партнером для разработки IoT-решений. Этот модуль, основанный на передовом чипе LLCC68 и промышленном кристаллическом осцилляторе, предлагает высокую производительность и низкое энергопотребление.

Превосходные характеристики

• Сверхнизкий приемный ток: Модуль CC68-C1 обеспечивает выдающуюся чувствительность до -129 дБм, что гарантирует надежную связь даже на больших расстояниях.

• Энергоэффективность: Благодаря низкому току сна и встроенному генератору на 64 кГц, модуль может периодически пробуждать внешний микроконтроллер, что значительно экономит заряд батареи.

• Интегрированный антенный переключатель: Управляемый радиочастотным чипом, этот переключатель оптимизирует использование ресурсов вашего внешнего MCU, упрощая проектирование и интеграцию.

Компактный и мощный

С выходной мощностью до 22 дБм (160 мВт) и компактными размерами, CC68-C1 идеально подходит для различных приложений в сфере Интернета вещей (IoT). Он отлично подходит для использования в умных домах, системах мониторинга и других проектах, требующих надежной связи.

Соответствие стандартам

Модуль CC68-C1 производится с соблюдением строгих стандартов без свинца и соответствует требованиям ROHS и ROICH. Он также получил сертификацию CE-RED на частоте 868 МГц и сертификацию IC FCC на 915 МГц, что подтверждает его высокое качество и безопасность.

Почему выбирают CC68-C1?

• Энергоэффективность: Идеален для устройств, работающих от батареи, благодаря низкому потреблению энергии.

• Высокая чувствительность: Обеспечивает надежную связь на больших расстояниях.

• Компактный дизайн: Легко интегрируется в различные устройства и системы.

• Сертификация: Гарантия соответствия международным стандартам качества.

Не упустите возможность улучшить свои IoT-проекты с помощью модуля LORA CC68-C1! Закажите его уже сегодня и откройте новые горизонты для вашего бизнеса в сфере Интернета вещей.
Документы
Функции и приложение
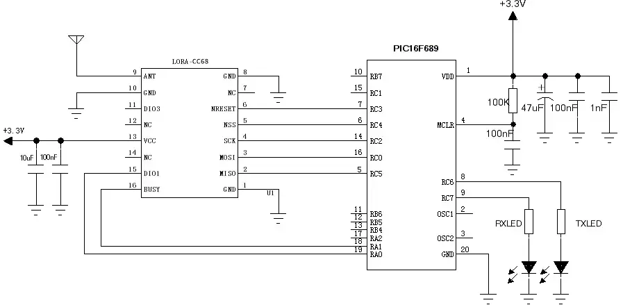
Типичная схема применения
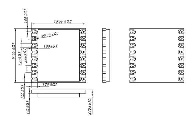
Механические размеры

Функции и приложение

Особенности LLCC68 LORA MODULE CC68-C1 

  • Полоса частоты : 433/490/868/915 МГц (настраиваемая 150-960 МГц)
  • Чувствительность : -129DBM @lora
  • Максимальная выходная мощность: 22 дБм (160 МВт)
  • Промышленная оценка высокая точность кристаллического осциллятора
  • Лора, (g) FSK
  • 255 байтов FIFO
  • Скорость передачи данных: 0,6-300 кбит / с @FSK 1,76-62,5 кбит / с @lora

Приложения LLCC68 LORA MODULE CC68-C1 

  • Чтение промышленного счетчика
  • Управление датчиками парковки
  • Промышленная автоматизация
  • Сельскохозяйственный датчик
  • Умный город
  • Дистанционное управление
  • Уличные огни
  • Управление логистикой
  • Экологический датчик
  • Здравоохранение
  • Продукты безопасности
  • Управление складом

Типичная схема применения

Механические размеры