GPS01-TD: модуль спутникового GPS-мода с четырехмодами поддерживает BDS/GPS/Glonass/Galileo

891,00
р.
Модуль GPS01-TD-это четырехмодный мини-модуль GPS, который поддерживает BDS/GPS/GLONASS/GALILEO/QZSS/SBAS и полностью поддерживает Beidou B3, который может предоставить пользователям высококачественное, сильное противоположность и низкопроизводительное положение и навигация решения.
___________________________________________________________________

Связаться с нами
Описание
Документы
Особенности и применение
Типичная схема применения
Механические размеры

Описание

Четырехрежимный спутниковый GPS-модуль GPS01-TD
Высокоточный GPS-модуль GPS01-TD
Высокочувствительный GPS-модуль GPS01-TD
GPS-модуль малой мощности GPS01-TD
Активная/пассивная антенна, подключенная к GPS-модулю GPS01-TD
Применение GPS-модуля GPS01-TD

Особенности и применение

Особенности мини-GPS-модуля GPS01-TD

  • Поддержка BDS B1/B1C, GPS L1 C/A GLO L1OF, частотная точка Gal E1
  • Поддержка однорежимной, двухрежимной и многорежимной работы BDS/GPS/ГЛОНАСС/Galileo, возможность переключения между собой по команде, трехрежимная работа BDS/GPS/GLO по умолчанию
  • Поддержка позиционирования с помощью A-GNSS
  • Поддержка питания активной антенны
  • С интерфейсом ввода резервного питания
  • Поддержка горячего старта
  • Поддержка внешнего сброса
  • Поддержка интерфейса UART
  • Чувствительность захвата при холодном запуске до -147 дБм. Чувствительность отслеживания до -163 дБм.

Применение мини -модуля GPS GPS01-TD

  • Продукты для персонального позиционирования и навигации
  • Расположение транспортных средств, кораблей и навигация
  • Интернет вещей
  • Портативное портативное устройство

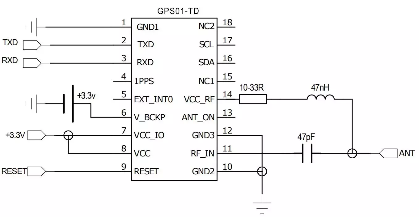
Типичная схема применения

Метод активного соединения антенны выглядит следующим образом:

Метод подключения пассивной антенны выглядит следующим образом:

Механические размеры

Механические размеры мини-модуля GPS GPS01-TD