Модуль полнодуплексной беспроводной передачи данных SA618F30-FD поддерживает одновременную 8-стороннюю передачу.

SA618F30-FD — это высокоинтегрированный, экономичный, мощный 8-канальный полнодуплексный модуль передачи данных. Он оснащен встроенным высокоскоростным микроконтроллером, высокопроизводительным чипом радиочастотного приемопередатчика и радиочастотным усилителем мощности. Модуль оснащен стандартным последовательным портом для связи, что позволяет легко и быстро настраивать параметры и управлять функциями передачи/приема. Пользователи могут добиться передачи данных, просто подключив модуль к последовательному порту. Его сверхкомпактный размер позволяет легко и быстро интегрировать его в различные портативные устройства, повышая общую производительность терминальных продуктов, что делает этот модуль широко применимым.
SA618F30-FD — это 8-канальный полнодуплексный модуль беспроводной передачи данных, который может обеспечить одновременную передачу до 8 передатчиков, не мешая друг другу. Он предназначен для сценариев, когда несколько передатчиков работают одновременно в сложных условиях, сводя к минимуму вероятность повторной передачи и значительно уменьшая помехи и вероятность возникновения помех. Комбинация модуляции LoRa с выходной мощностью 1 Вт, а также конструкция с низким энергопотреблением для режимов приема и сна делают его идеальным для беспроводных приложений IoT на больших расстояниях.
___________________________________________________________________

Связаться с нами

Документы
Особенности и применение
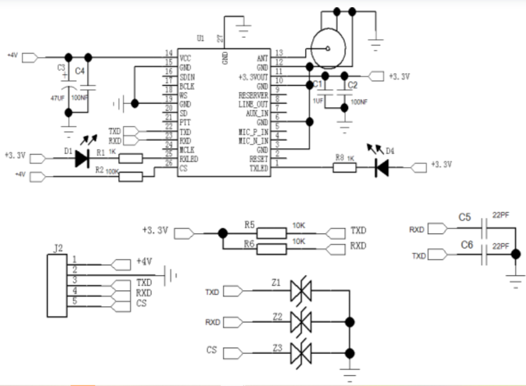
Типичная схема применения
Механические размеры

Особенности и применение

 Функции

  •  Диапазон частот 410–490 МГц (настраиваемый 150–960 МГц)
  •  Одновременно могут передавать до 8 устройств (без ограничений на прием)
  •  Функция эхоподавления
  •  8-сторонние динамические изменения
  • Поддержка OTA и серийного обновления
  • Расстояние передачи 3-4 км на открытой местности
  • Высокая чувствительность приема: -117 дБм
  • Высокая степень интеграции и компактный размер

Приложения


  • АГВ автомобиль
  • Башенная крановая система
  • Приложения многоканальной полнодуплексной передачи данных

Типичная схема применения

Механические размеры