SRX883PRO: сертифицированный CE-RED 433 МГц модуль SuperHeterodyne

  • SRX883PRO - это супергетерин и 433 МГц модуль приемника с низкой задержкой, быстрым откликом и микроэнергией. Его можно использовать с нашим модулем передатчика STX Series Ask. Он обладает высокой стабильностью, противоположностью и низкой стоимостью, а также имеет супер движущая сила, которая может передавать ROHS, FCC ID, CE-RED, ID ID и другие сертификаты. Порт данных может быть непосредственно подключен к микрокомпьютеру, что делает разработку более удобной и быстрее.
  • SRX883PRO получил сертификацию CE-RED.
___________________________________________________________________

Связаться с нами
Документы
Функции и приложение
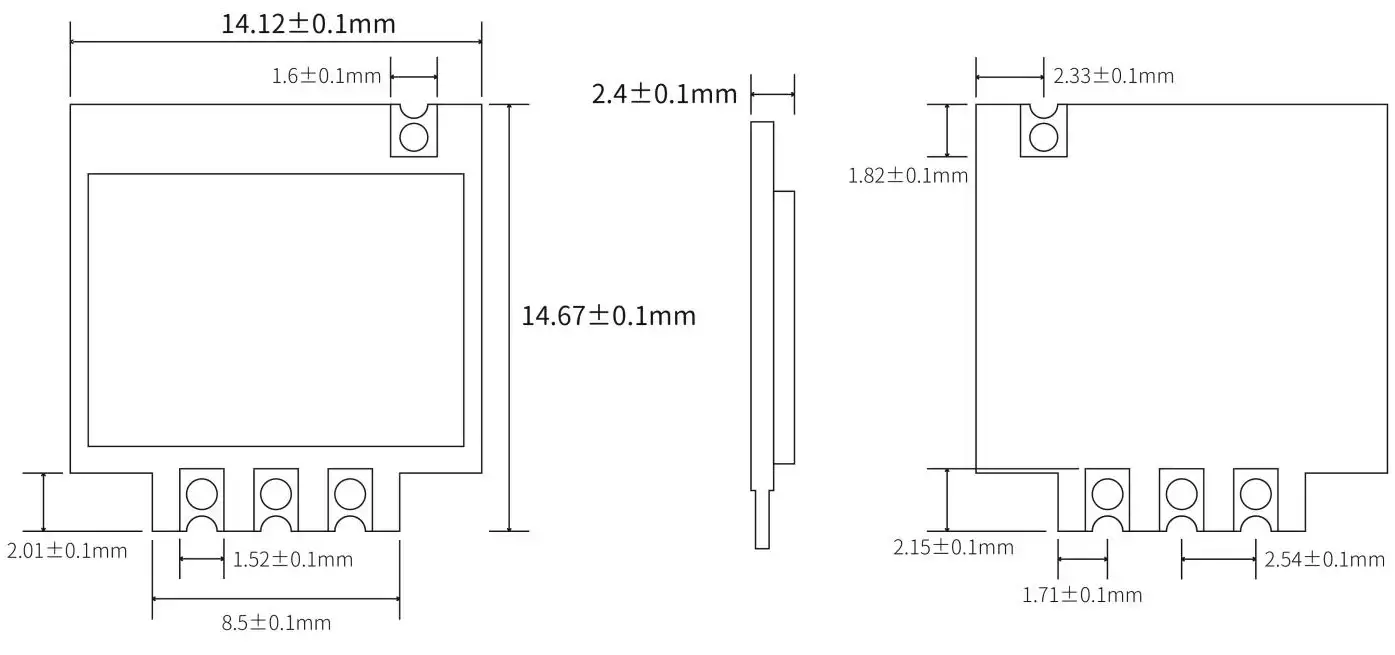
Механические размеры
Типичная схема применения

Функции и приложение

Особенности 433 МГц Ask Receiver Srx883pro

  • Низкая задержка и быстрый ответ
  • Частотный диапазон: 433 МГц
  • SuperHeteroDynereCeption
  • Потребление низкого мощного
  • Стабильная и надежная частота
  • Может пройти различные международные стандарты тестирования
  • Небольшой размер
  • Вес: 2,0 г.

Заявки на 433 МГц Ask получатель srx883pro

  • Дверь дистанционного управления
  • Беспроводная служба безопасности
  • Продукты беспроводного потребления
  • Беспроводная передача данных

Механические размеры

Типичная схема применения