SA618F30-DZ: 1 Вт, 8 двухантенных многоуровневых реле, частота дискретизации 8K, полнодуплексный аудиомодуль с защитой от электростатического разряда

  • SA618F30-DZ основан на модуле SA618F30 нашей компании, конструкция которого разделяет передающую и приемную антенны. Кроме того, вывод TXEN расширен снаружи, что делает более удобным подключение внешнего усилителя мощности радиочастотного диапазона. Это обеспечивает более высокую мощность передачи и увеличенную дальность связи. Модуль объединяет высокоскоростной микроконтроллер, высокопроизводительный чип радиочастотного приемопередатчика и радиочастотный усилитель мощности. Он также предоставляет стандартный последовательный порт для связи с модулем, что позволяет легко и быстро настраивать соответствующие параметры и управлять функциями приемопередатчика. Просто подключив к этому модулю аудиоусилитель, микрофон и динамик, он может работать как компактная рация. Упрощенный интерфейс и сверхмалый размер модуля обеспечивают его широкое применение и легкую интеграцию в различные портативные устройства, тем самым улучшая общую производительность конечного продукта.
  • SA618F30-DZ производится и тестируется с использованием бессвинцовых процессов в соответствии со стандартами RoHS и Reach.
___________________________________________________________________

Связаться с нами
Документы
Спецификации
Особенности и применение
Типичная схема применения
Механические размеры

Спецификации

Выходная мощность 1 Вт

Особенности и применение

Особенности беспроводного аудиомодуля SA618F30-DZ

  • Диапазон частот 410–480 МГц (настраиваемый 150–960 МГц)
  • До 8 устройств передают одновременно (прием неограничен)
  • Функция эхоподавления
  • функция голосового управления
  • Ячеистая сеть
  • I2S Цифровое аудио и аналоговое аудио
  • Линейный вход + микрофонный вход
  • Полнодуплексная передача данных
  • Поддержка передачи данных
  • Низкое энергопотребление во время сна
  • Поддержка OTA и серийного обновления
  • Расстояние передачи 3 км на открытой местности
  • Высокая чувствительность приема: -117 дБм
  • Высокая интеграция и небольшой размер

Применение беспроводного аудиомодуля SA618F30 -DZ

  • Высококачественная полнодуплексная рация
  • Конференц-телефонная система
  • Гарнитура рация
  • Безопасность для особых сценариев
  • Системы безопасности зданий и жилых помещений
  • Рация для связи для особых профессий

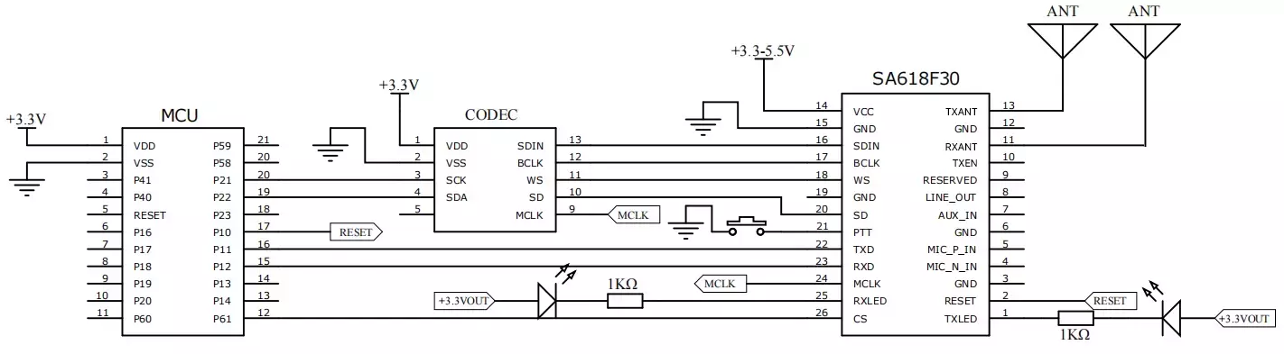
Типичная схема применения

Прикладная схема аналогового входа с аналоговым выходом

Схема  приложения ввода и вывода I2S

Механические размеры