SA316S: беспроводной аудиомодуль с высокой точностью

1150,00
р.
В современном мире беспроводной передачи звука продукты серии SA316S становятся все более востребованными благодаря своему высокому качеству и надежности. Эта серия включает в себя модули передатчика SA316S-TX, SA316F30 и модуль приемника SA316S-RX, которые идеально подходят для различных аудиоприложений.

▎Высококачественная Передача Звука

Основное преимущество продуктов серии SA316S заключается в использовании беспроводного высококачественного чипа голосовой передачи. Этот чип обеспечивает чистый и насыщенный звук, что делает его идеальным выбором для профессиональных аудиосистем. Модули поддерживают внешние двойные цифровые аудио-интерфейсы PCM / IIS, что позволяет легко интегрировать их в существующие системы.

▎Удобство Настройки

Одной из ключевых особенностей модулей SA316S является возможность быстрой и простой настройки параметров. Пользователи могут легко установить частоту, уровень громкости, усиление микрофона и другие параметры через команды последовательных портов. Это делает модули идеальными для использования в ситуациях, где требуется высокое качество звука, таких как:

• Концерты и мероприятия: создание профессиональных звуковых систем для живых выступлений.

• Образовательные учреждения: трансляция лекций и семинаров с высоким качеством звука.

• Коммерческие приложения: использование в ресторанах, кафе и магазинах для создания музыкального фона.

▎Стандартизированный Серийный Интерфейс

Продукты серии SA316S также предлагают стандартизированный серийный интерфейс, что упрощает их интеграцию в различные системы. Это позволяет пользователям не только легко настраивать параметры, но и быстро адаптировать модули под свои нужды.

▎Заключение

Серия SA316S – это идеальное решение для тех, кто ищет надежные и высококачественные беспроводные аудиомодули. Благодаря простоте настройки и высокому качеству звука, продукты этой серии подходят для самых различных приложений. Если вы хотите улучшить качество звука в своей системе, обратите внимание на модули SA316S-TX, SA316F30 и SA316S-RX – ваш надежный выбор в мире беспроводной передачи аудио!

Документы
Спецификации
Особенности и применение
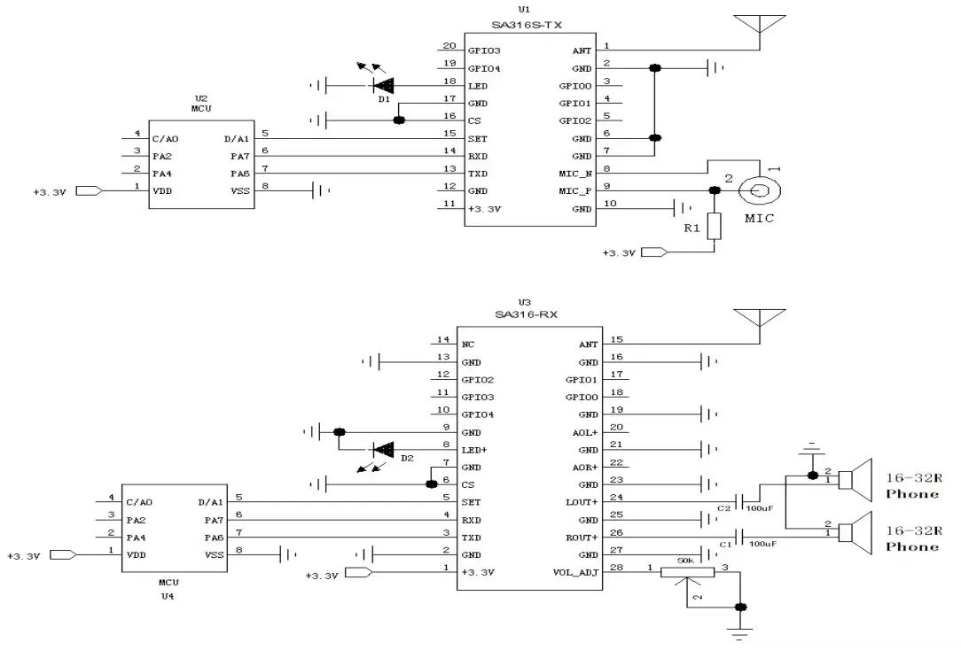
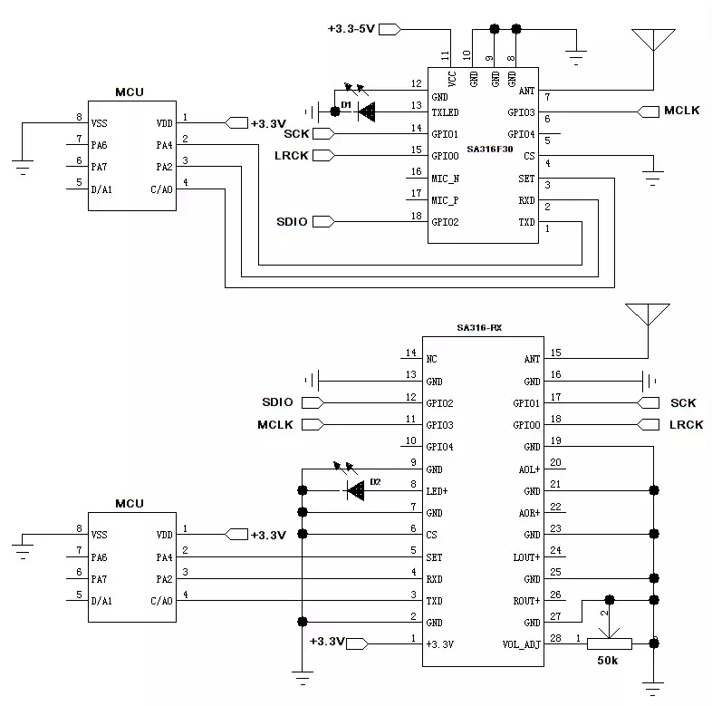
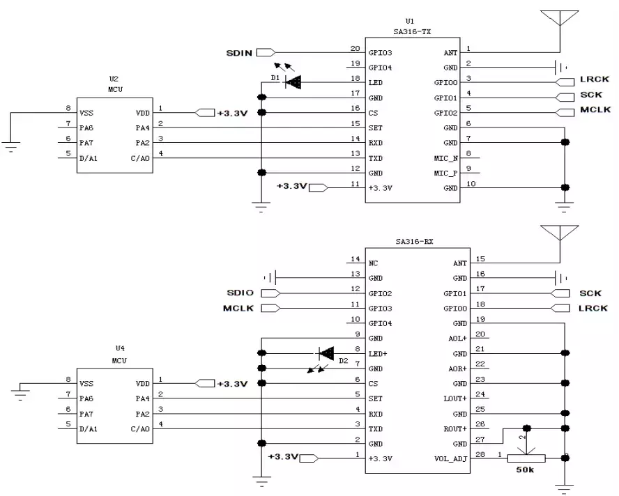
Типичная схема применения
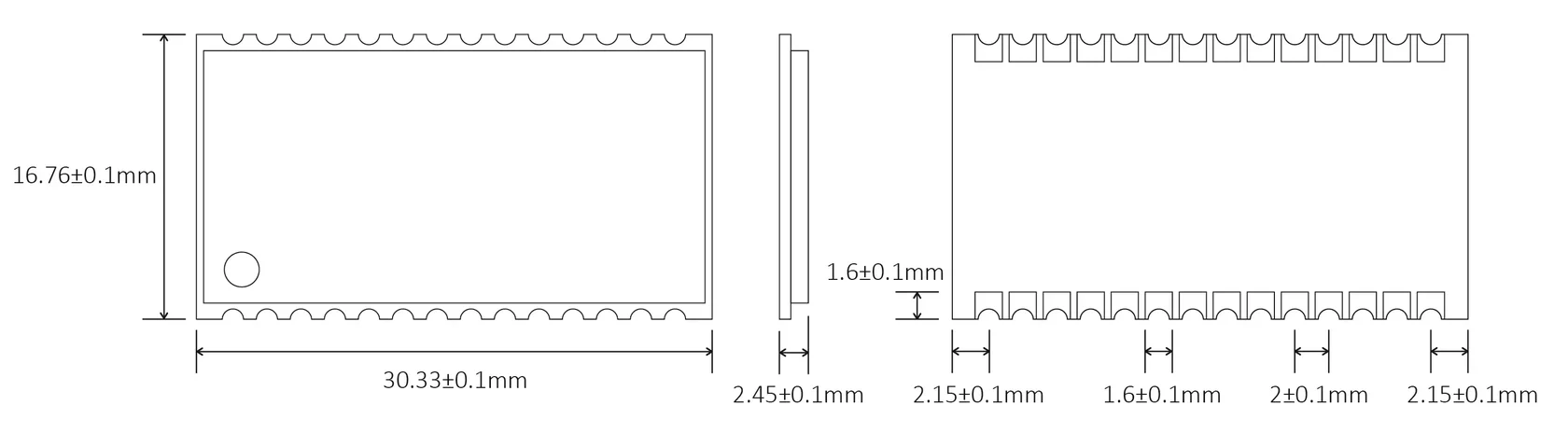
Механические размеры

Спецификации

Тип - Беспроводное аудио
Выходная мощность - 10мВт

Особенности и применение

Особенности беспроводного аудиомодуля  SA316

  • Диапазон частот УВЧ: 500 МГц/868 МГц, 915 МГц, диапазон частот УВЧ: 450–980 МГц, диапазон частот УКВ: 160–270 МГц
  • Дальность передачи составляет 200 метров на открытой местности.
  • Чувствительность приема: -96 дБм
  • Отношение аудиосигнала к шуму: 86 дБ
  • Частотная характеристика: 20 Гц-20 кГц
  • Задержка от входа микрофона до аудиовыхода составляет менее 3 мс.
  • Метод цифровой модуляции: pi/4 DQPSK
  • Занимаемая полоса пропускания: <300 кГц
  • Скорость передачи 204,8 тыс. выборок в секунду
  • Частота дискретизации: 48 кГц

Применение беспроводного аудиомодуля  SA316

  • Проводные колонки становятся беспроводными колонками
  • беспроводной микрофон
  • Беспроводные наушники
  • Высококачественная беспроводная передача звука

Типичная схема применения

Аналоговый вход и схема применения аналогового вывода





Схема применения IIS ввода и вывода

Механические размеры

SA316-TX

SA316-RX

SA316F30-TX