GPS02-UBX: модуль GPS с четырехмодами ublox с новейшими сериями Ublox IC M10 и защитой ESD

1390,00
р.
  • Модуль GPS02-UBX оснащен стандартной платформой GNSS U-Blox M10 и обеспечивает исключительную чувствительность и время сбора для всех сигналов L1 GNSS. Чрезвычайно низкое энергопотребление в режиме непрерывного отслеживания обеспечивает большую автономию мощности для всех устройств с аккумулятором, таких как трекеры активов, без ущерба для производительности GNSS.
  • Модуль GPS02-UBX поддерживает одновременный прием до четырех GNSS (GPS, Glonass, Galileo и BDS). Примечание. Выберите три из четырех, BDS и Glonass не могут быть использованы одновременно.
  • Большое количество видимых спутников позволяет приемнику выбирать лучшие сигналы.
  • Это максимизирует точность позиции, в частности в сложных условиях, таких как глубокие городские каньоны. Однако в прошивке, описанной здесь, количество одновременно полученных GNSS ограничено тремя. Технология U-Blox Super-S (Super-Signal) предлагает отличную чувствительность РЧ.
  • Он обеспечивает высокую чувствительность, высокую точность позиционирования, низкое энергопотребление и низко стоимость позиционирования и навигационных решений для изготовления навигационных и позиционированных терминальных продуктов, таких как транспортное средство, судно, портативные и носимые.
___________________________________________________________________

Связаться с нами
Документы
Функции и приложение
Типичная схема применения
Механические размеры

Функции и приложение

Особенности Ublox GPS-модуль GPS02-UBX

  • Поддержка BDS B1I, GPS L1C/A, Glo L1OF, GAL E1-B/C.
  •  Приспособление BDS/GPS/GLONASS/GALILEO ОДИН-МОДА, ДВОЙСКОЕ МОДА И МУДЕРТИ-РАБОТА
  • Поддержка питания для активной антенны
  • С интерфейсом ввода мощности резервного копирования
  • Поддержка горячего старта
  • Поддержка внешнего сброса
  • Поддержка интерфейса UART и I2C
  • Чувствительность Cold Start Capture до -148 дБМ. Чувствительность отслеживания до -166 дБм.
  • Поддержите A-gnss Adviceed Position

Применение модуля Ublox GPS GPS02-UBX

  • Личное позиционирование и навигационные продукты
  • Транспортное средство, позиционирование и навигацию корабля
  • Интернет вещей
  • Портативное устройство

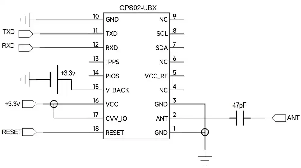
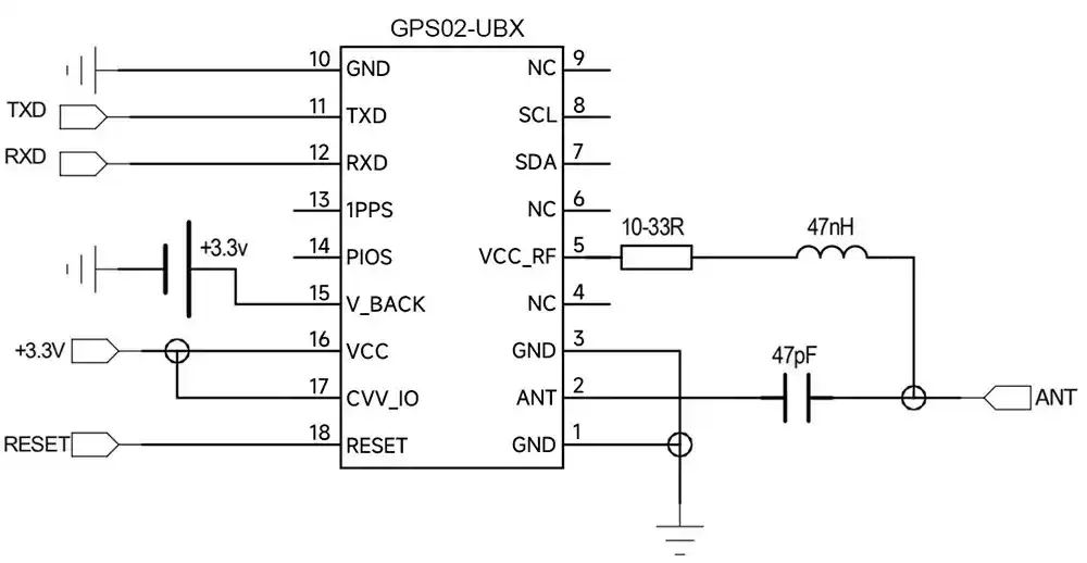
Типичная схема применения

Метод активного соединения антенны выглядит следующим образом:


Метод подключения пассивной антенны выглядит следующим образом:

Механические размеры