LoRa-CC68-915-T: Сертифицированный FCC ID LLCC68 Модуль беспроводного приемопередатчика LoRa с TCXO для стабильной связи и защиты от электростатического разряда

Беспроводной Модуль LoRa-CC68-915-T: Идеальное Решение для IoT Приложений

Беспроводной модуль LoRa-CC68-915-T — это передовое устройство, созданное на основе чипа LLCC68 компании Semtech. Благодаря высококачественному промышленному кварцевому генератору, этот модуль обеспечивает сверхнизкий приемный ток, что делает его идеальным выбором для приложений с ограниченными ресурсами, таких как устройства на батарейном питании.

Преимущества LoRa-CC68-915-T

Энергоэффективность и Чувствительность

Одним из ключевых преимуществ LoRa-CC68-915-T является его низкий ток сна и высокая чувствительность до -129 дБм. Это позволяет устройству эффективно работать в условиях ограниченного питания, обеспечивая надежную связь на больших расстояниях. Модуль способен периодически пробуждать внешний микроконтроллер, используя встроенный генератор на 64 кГц, что значительно экономит энергию.

Интегрированный Антенный Переключатель

Модуль LoRa-CC68 оснащен интегрированным антенным переключателем, который управляется радиочастотным чипом. Это решение не только упрощает конструкцию устройства, но и позволяет сэкономить ресурсы внешнего микроконтроллера (MCU), что делает его еще более привлекательным для разработчиков.

Компактные Размеры и Высокая Выходная Мощность

С выходной мощностью до 22 дБм (160 мВт), модуль LoRa-CC68 обеспечивает стабильную связь даже в сложных условиях. Компактные размеры устройства позволяют легко интегрировать его в различные IoT-приложения, что делает его идеальным решением для устройств с батарейным питанием.

Соответствие Современным Стандартам

LoRa-CC68 производится и тестируется с использованием бессвинцовых процессов, что соответствует строгим стандартам RoHS и REACH. Сертификация CE при частоте 868 МГц и FCC при частоте 915 МГц подтверждает высокое качество и безопасность данного модуля.

Заключение

Беспроводной модуль LoRa-CC68-915-T — это идеальный выбор для разработчиков IoT-приложений, стремящихся создать надежные и энергоэффективные решения. Благодаря своим выдающимся характеристикам, таким как низкое энергопотребление, высокая чувствительность и компактный размер, этот модуль открывает новые возможности для реализации инновационных проектов. Выберите LoRa-CC68 и обеспечьте своему устройству надежную беспроводную связь!
Документы
Функции и приложение
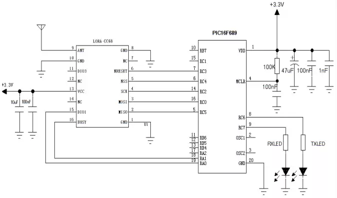
Типичная схема применения
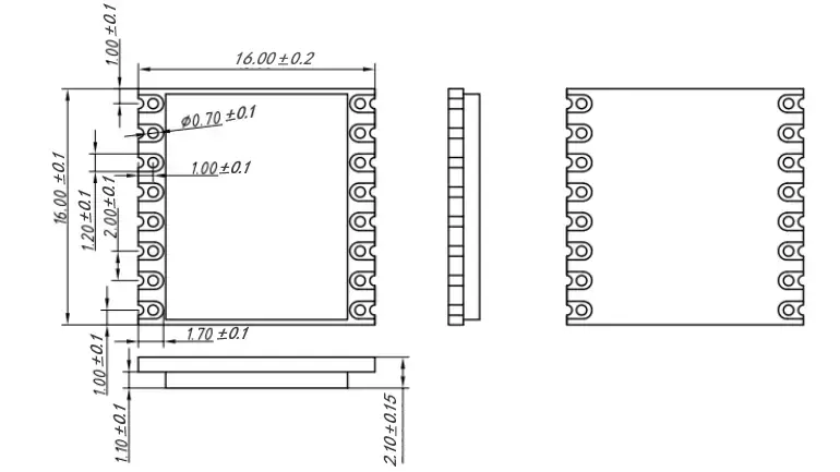
Механические размеры

Функции и приложение

Функции

  • Диапазон частот: 433/490/868/915 МГц (настраиваемый: 150–960 МГц)
  • Чувствительность: -129 дБм @LoRa
  • Максимальная выходная мощность: 22 дБм (160 мВт)
  • Высокоточный кварцевый генератор промышленного класса
  • ЛоРа,(Г)ФСК
  • 255 байт ФиФо
  • Скорость передачи данных: 0,6–300 Кбит/с @FSK
  • 1,76-62,5 Кбит/с @Лора

Приложения


  • Показания промышленного счетчика
  • Управление датчиками парковки
  • Промышленная автоматизация
  • Сельскохозяйственный датчик
  • Умный город
  • Пульт дистанционного управления
  • Уличные фонари
  • Управление логистикой
  • Датчик окружающей среды
  • Товары для здоровья
  • Продукты безопасности
  • Управление складом

Типичная схема применения

Механические размеры