GPS02-TD: Низкая цена и высокая точность: Четырехрежимный спутниковый GPS-модуль

891,00
р.
Модуль GPS02-TD представляет собой четырехрежимный GPS-модуль, который поддерживает BDS/GPS/ГЛОНАСС/Galileo/QZSS/SBAS и полностью поддерживает BeiDou B3, который может предоставить пользователям высококачественные, надежные решения для позиционирования и навигации с надежной защитой от помех и низким энергопотреблением.
___________________________________________________________________

Связаться с нами
Документы
Описание
Функции и приложение
Типичная схема применения
Механические размеры

Описание

Четырехмодный спутник GPS-модуль GPS02-TD
Высокая точность GPS-модуль GPS02-TD
Модуль GPS с высокой чувствительностью GPS02-TD
Модуль с низкой мощностью GPS02-TD
Активная антенна/пассивная антенна, подключенная к модулю GPS GPS02-TD
Применения GPS Module GPS02-TD

Функции и приложение

Особенности высокой точности GPS-модуль GPS02-TD

  • Поддержка BDS B1/B1C, GPS L1 C/A, GLO L1OF, GAL E1FREQUENCYPOINT
  • Поддержка одномода BDS/GPS/Glonass/Galileo, двойной режим и многомода
  • Поддержите A-gnss Adviceed Position
  • Поддержка питания для активной антенны
  • С интерфейсом ввода мощности резервного копирования
  • Поддержка горячего старта
  • Поддержка внешнего сброса
  • Поддержите интерфейс UART
  • Чувствительность Cold Start Capture до -147dbm. Чувствительность отслеживания до -163 дБм

Применение высокой точности GPS-модуля GPS02-TD

  • Личное позиционирование и навигационные продукты
  • Транспортное средство, позиционирование и навигацию корабля
  • Интернет вещей
  • Портативное устройство

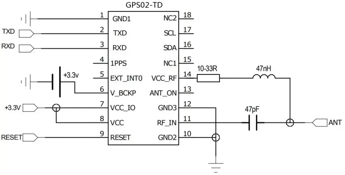
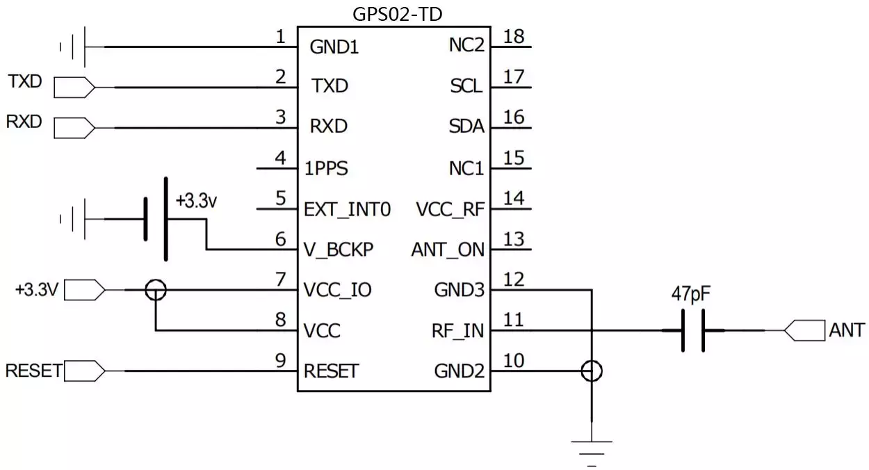
Типичная схема применения

Метод активного соединения антенны выглядит следующим образом:

Метод подключения пассивной антенны выглядит следующим образом:

Механические размеры