SA618F30: 1W Long Drange Full Duplex Wireless Audio Module с защитой ESD

  • SA618F30 - это модуль трансмиссии 1W & Long Drange & Embedded & Full Duplex, объединяющий беспроводной цифровой и беспроводной аудио.
  • Пользователи могут не только беспроводным образом передавать данные через последовательные порты, но и достигать беспроводной передачи голоса через I2S или аналоговые аудиоинтерфейсы.
  • Модуль оснащен высокоскоростным микроконтроллером, высокопроизводительным радиочастотным чипом и высококачественным голосовым кодеком и принимает технологию спектра широкополосного спреда. Характеристиками являются низкое энергопотребление, большие расстояния и гибкая регулировка частоты.
  • SA618F30 Поддерживает максимум 8 каналов трансмиссии и регистрации одновременно, а также максимальные 3 -уровневые маршрутизаторы для сети сетки.
  • Этот модуль принимает высоко интегрированный дизайн, и пользователям необходимо только подключить аудио -усилители, микрофоны и динамики снаружи, чтобы легко достичь удаленной беспроводной передачи.
  • SA618F30 Достичь полный дуплекс через последовательный порт для передачи данных.
  • Обновление воздуха SA618F30 (OTA) или серийное обновление. Параметры беспроводного модуля могут быть легко установлены программным обеспечением ПК или последовательной командой.
  • SA618F30 строго производится и протестируется с использованием технологии без свинца, соответствующей стандартам ROHS и достижения.
___________________________________________________________________

Связаться с нами
Документы
Спецификации
Особенности и применение
Типичная схема применения
Механические размеры

Спецификации

Выходная мощность 1 Вт

Особенности и применение

Функции
  • Диапазон частот 410–480 МГц (настраиваемый 150–960 МГц). До 8 устройств передают одновременно (прием неограничен).
  • Функция эхоподавления
  • функция голосового управления
  • Ячеистая сеть
  • I2S Цифровое аудио и аналоговое аудио
  • Линейный вход + микрофонный вход
  • Полнодуплексная передача данных;
  • Поддержка передачи данных
  • Низкое энергопотребление во время сна
  • Поддержка OTA и серийного обновления
  • Расстояние передачи 3 км на открытой местности
  • Высокая чувствительность приема: -117 дБм
  • Высокая интеграция и небольшой размер
Приложения
  • Пожарная аварийная связь
  • Метро, ​​Туннельная связь
  • Система внутренней связи для верховой езды
  • Высококачественная полнодуплексная рация.
  • Конференц-телефонная система
  • Построение системы общественной безопасности
  • Охранная домофонная система для особых сценариев
  • Наушники рация
  • Рация для специального задания

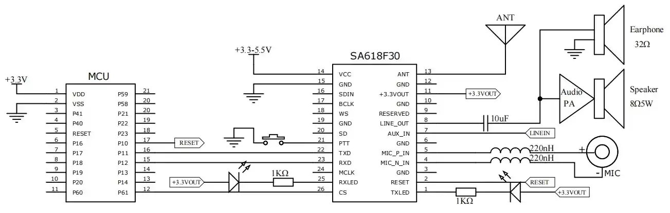
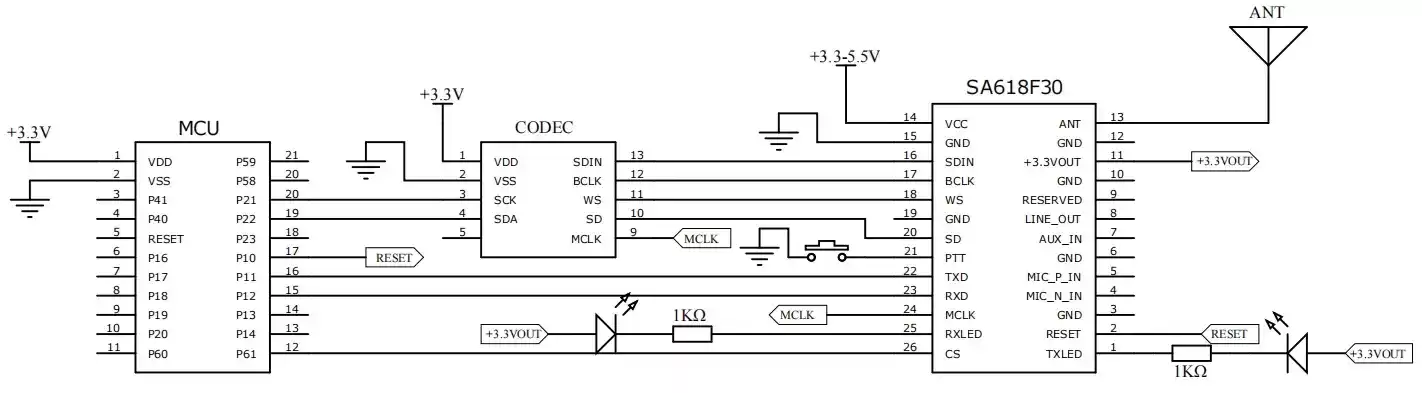
Типичная схема применения

Аналоговый ввод и вывод схема применения


Схема применения ввода и вывода I2S

Механические размеры