LoRa128X-T: SX1280/SX1281, 2,4 ГГц, идентификатор FCC и сертифицированный CE-RED модуль измерения дальности TCXO

  • Модуль передатчика и приемника 2,4 ГГц разработан на основе оригинального радиочастотного чипа SX1280/SX1281 компании Semtech в США. Он использует режим модуляции LoRa, который улучшает короткое расстояние связи обычных модулей 2,4 ГГц. Высокая проникающая способность диапазона частот 2,4 ГГц в сочетании с модуляцией LoRa позволяет модулю иметь высокую чувствительность приема и способность защиты от внешних помех. Вся серия модулей широко используется в приложениях, требующих передачи на большие расстояния на частоте 2,4 ГГц. Во всей серии модулей используется кварцевый генератор промышленного класса с частотой 10 ppm, а модуль LoRa1280/LoRa1281-TCXO также специально оснащен высокоточным кварцевым генератором промышленного класса с температурной компенсацией 0,5 ppm TCXO, который гарантирует стабильную выходную частоту в суровых условиях окружающей среды. такие как высокая и низкая температура. Он также имеет функцию «время полета», которая может реализовывать приложения радиочастотного измерения.
  • LoRa1280-T строго использует бессвинцовый процесс производства и тестирования и соответствует стандартам RoHS и Reach.
  • LoRa1280-T получил сертификаты CE и FCC.
___________________________________________________________________

Связаться с нами
Документы
Описание
Спецификации
Особенности и применение
Типичная схема применения
Механические размеры

Описание

Следующие параметры получаются при подключении прибора к медной оси сопротивлением 50 Ом. @VCC=3,3 В.
Беспроводные модули LoRa1280/Lora1281-TXCO прошли сертификацию CE и FCC.

Спецификации

Интерфейс SPI
Чип СХ1280/1281
Частота 2,4 ГГц
Модуляция LoRa

Особенности и применение

Особенности передатчика и приемника 2,4 ГГц LoRa1280-TCXO

  • Диапазон рабочих частот: 2400-2500 МГц
  • Двойная сертификация CE и FCC
  • Диапазон рабочих температур:-40~+85°C
  • Скорость передачи данных: @LoRa=0,476-202 Кбит/с.
  • Максимальная выходная мощность: 12,5 дБм
  • Режим пакетной связи (прием FiFo 256 байт)
  • Высокоточный кварцевый генератор (0,5 ppm TCXO/10 ppm)
  • Диапазон рабочего напряжения: 1,8-3,7 В
  • Чувствительность до -132 дБм@LoRa
  • LoRa FLRC FSK модуляция

Применение передатчика и приемника 2,4 ГГц LoRa1280-TCXO

  • Беспроводной пульт
  • Умный дом
  • Читатель тегов
  • Управление игрушкой
  • Контроль давления в шинах
  • Мониторинг здоровья

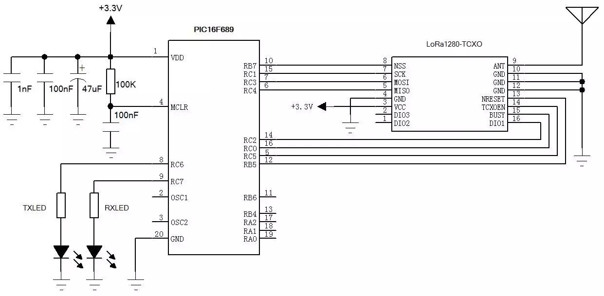
Типичная схема применения

Механические размеры