RF1212: Модуль FSK на базе SX1212 мощностью 20 мВт с низким энергопотреблением RX 3 мА

Радиочастотный модуль RF1212: Эффективное решение для беспроводной связи

Радиочастотный модуль RF1212 — это надежное и экономичное устройство, использующее чип SX1212 от компании Semtech, одного из лидеров в области беспроводной связи. Этот модуль представляет собой идеальное решение для проектов, требующих эффективной передачи данных на дальние расстояния.

Преимущества RF1212

Сверхнизкое энергопотребление

Одним из ключевых преимуществ RF1212 является его сверхнизкое энергопотребление всего 3 мА в режиме приема. Это делает его идеальным выбором для устройств, работающих от батарей, где критически важно продлить срок службы аккумулятора.

Высокая скорость передачи данных

Модуль RF1212 обеспечивает скорость передачи данных до 150 Кбит/с, что позволяет передавать большие объемы информации быстро и эффективно. Это особенно важно для приложений, требующих оперативной обработки данных.

Удобство обработки данных

RF1212 поддерживает обработку 64-байтовых пакетов FiFo, автоматическую генерацию CRC и оптимизацию данных. Эти функции упрощают интеграцию модуля в существующие системы и повышают надежность передачи данных.

Соответствие стандартам

Модуль RF1212 соответствует европейским стандартам ETSI EN300-220 V2.1.1 и североамериканским сертификациям FCC (15.247 и 15.249). Это подтверждает его высокое качество и безопасность использования в различных приложениях.

Экологическая безопасность

Производство модуля RF1212 осуществляется с использованием бессвинцовой технологии, что делает его экологически безопасным. Он соответствует стандартам RoHS и Reach, что подчеркивает его соответствие современным требованиям по охране окружающей среды.

Применение RF1212

Радиочастотный модуль RF1212 идеально подходит для:

• Интернет вещей (IoT): Использование в умных устройствах и системах мониторинга.

• Промышленные приложения: Подходит для систем автоматизации и управления.

• Беспроводные сети: Эффективен для создания беспроводных сетей передачи данных.

Заключение

Если вам нужен надежный, экономичный и высокопроизводительный радиочастотный модуль, RF1212 станет отличным выбором. Его уникальные характеристики, соответствие международным стандартам и экологическая безопасность делают его идеальным решением для ваших проектов в области беспроводной связи. Выбирайте RF1212 и обеспечьте надежную связь для ваших устройств!
Документы
Особенности и применение
Типичная схема применения
Механические размеры

Особенности и применение

Особенности радиочастотного передатчика и приемника RF1212

  • Диапазон частот: 315/433 МГц (настраиваемый 300–510 МГц)
  • Чувствительность до -110 дБм
  • Максимальная выходная мощность: 12,5 дБм
  • 25 мА при +10 дБм (TX)
  • Скорость передачи данных: 0,78-150 Кбит/с (@FSK)
  • Источник питания 2,1-3,6 В
  • FSK&OOK Режим модуляции
  • Цифровой индикатор уровня принимаемого сигнала (RSSI)
  • Встроенный битовый синхронизатор ввода данных, синхронизация и восстановление часов.
  • Диапазон рабочих температур: -40 ~ +85°C
  • Скачкообразное изменение частоты

Применение радиочастотного передатчика и приемника RF1212

  • Пульт дистанционного управления
  • Домашняя охранная сигнализация и удаленный вход без ключа
  • Дистанционное зондирование домашней автоматизации
  • Управление игрушками
  • Сенсорная сеть
  • Контроль давления в шинах
  • Мониторинг здоровья
  • Чтение и запись тегов

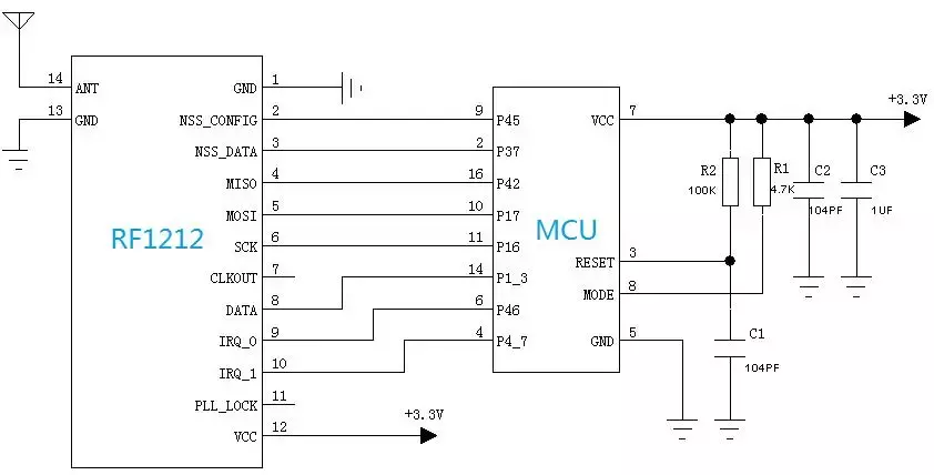
Типичная схема применения

Типичная схема применения радиочастотного передатчика и приемника RF1212


Механические размеры