SA618F22 : Полнодуплексный беспроводной аудиоприемопередатчик с частотой дискретизации 8K, 160 мВт

SA618F22 — это передовой полнодуплексный беспроводной аудиоприемопередатчик, который предлагает уникальные возможности для передачи звука и данных. С частотой дискретизации 8K и мощностью 160 мВт, этот модуль идеально подходит для создания высококачественных аудиосистем в различных приложениях.

▎Полнодуплексная Передача Звука

Модуль SA618F22 объединяет в себе возможности беспроводной цифровой и аналоговой передачи аудио, позволяя пользователям не только передавать данные через последовательные порты, но и осуществлять беспроводную передачу голоса через интерфейсы I2S или аналоговые аудиоинтерфейсы. Это делает его идеальным выбором для профессиональных аудиосистем, где требуется высокая четкость и качество звука.

▎Высокая Производительность

SA618F22 оснащен высокоскоростным микроконтроллером и высокопроизводительным радиочастотным чипом, что обеспечивает надежную работу даже в сложных условиях. Использование высококачественного голосового кодека и технологии широкополосного расширения спектра гарантирует низкое энергопотребление, большую дальность передачи и гибкую регулировку частоты.

▎Многоканальная Поддержка

Модуль поддерживает до 8 каналов передачи и приема одновременно, а также позволяет использовать до 3 уровней маршрутизаторов. Это открывает широкие возможности для создания многоканальных аудиосистем, которые могут работать в различных сценариях, от концертов до конференций.

▎Простота Инсталляции и Настройки

SA618F22 имеет высокоинтегрированную конструкцию, что позволяет пользователям легко подключать внешние усилители звука, микрофоны и динамики для обеспечения удаленной беспроводной передачи. Настройка параметров модуля, таких как частота, уровень громкости и усиление микрофона, осуществляется быстро и удобно через команды последовательных портов.

▎Обновление и Совместимость

Модуль поддерживает обновление по воздуху (OTA) или последовательное обновление, что упрощает процесс обновления программного обеспечения. Параметры беспроводного модуля можно легко установить с помощью программного обеспечения для ПК или последовательных команд.

▎Экологические Стандарты

SA618F22 производится с использованием бессвинцовой технологии и соответствует строгим стандартам RoHS и Reach, что делает его безопасным для использования в различных условиях.

▎Заключение

Модуль SA618F22 — это идеальное решение для тех, кто ищет надежный и высококачественный полнодуплексный беспроводной аудиоприемопередатчик. Благодаря своим уникальным характеристикам и простоте настройки, он подходит для использования в самых разных сферах, где требуется высокое качество звука. Если вы хотите улучшить свою аудиосистему, обратите внимание на SA618F22 — ваш надежный партнер в мире беспроводной передачи аудио!
Документы
Спецификации
Функции и приложение
Типичная схема применения
Механические размеры

Спецификации

Тип - беспроводной аудио
Выходная мощность - 160 МВт

Функции и приложение

Функции
  • Полоса частот 420 ~ 510 МГц (настраиваемая 150-960 МГц)
  • До 8 устройств передается (получайте неограниченное количество)
  • Функция отмены эха
  • Функция Vox
  • Сетчатая сеть
  • I2sdigital audio+аналоговый аудио
  • Линия в + Micinput
  • Полная дуплексная передача данных
  • Поддержка передачи данных
  • Сон низкий энергопотребление
  • Поддержка OTA и SerialupGrade
  • 1 км расстояние трансмиссии в открытой площадке
  • Высокая чувствительность: -117 дБм
  • Высокая интеграция и небольшой размер
Приложения
  • Пожарная аварийная связь
  • Метро, ​​Туннельная связь
  • Езда на межком -системе
  • Высококачественная полная дуплексная рация Talkie
  • Конференц -телефонная система
  • Создание системы безопасности сообщества
  • Система межколам безопасности для специальных сценариев
  • Walkie Talkie
  • Специальное назначение работы

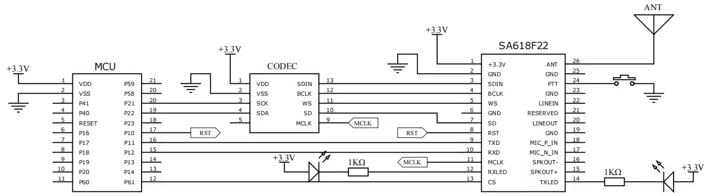
Типичная схема применения

  • Схема аналогового ввода и вывода (встроенный аудиоусилитель)

  • Схема аналогового ввода и вывода (внешний аудиоусилитель)

  • Схема приложения ввода-вывода I2S


Механические размеры