SK200PRO-U: модуль управления переключателем канала 100 МВт

SK200PRO-U-это промышленный беспроводной модуль управления единым коммутатором. Он состоит из SK200PRO-U-TX (модуль передатчика) и SK200PRO-RX (модуль приемника). Передатчик может выбрать модуль с мощностью 100 МВт, 1 Вт или 5 Вт по мере необходимости. Беспроводная конструкция использует технологию LORA, которая обладает высокоэффективной чувствительностью и сильной противоположностью. Его расстояние связи и получение чувствительности лучше, чем модуляция FSK и GFSK. В рабочем режиме «один-один» в сотрудничестве с сетчатой ​​сетью, которая поставляется с приемным концом, он может сформировать сетевую передачу без слепых пятен и ограничений на расстояние.
Передатчик предоставляет интерфейс управления последовательными командами, соответствующий выходным интерфейсам нескольких модулей приемника. Он имеет характеристики простого интерфейса и надежной работы. Пользователи могут объединить наш интерфейс ПК для настройки и изменения внутренних параметров модуля. Параметры приемника могут быть беспроводным образом настроены передатчиком, что удобно для онлайн -изменений. Многократная одновременная связь не будет мешать друг другу, и она гибкая и удобная в использовании.
SK200PRO-U строго использует процесс без свинца для производства и тестирования, а также соответствует стандартам ROHS и достижению.
ПОДЕЛИТЬСЯ ЭТИМ
___________________________________________________________________

Связаться с нами
Документы
Описание
Функции и приложение
Типичная схема применения
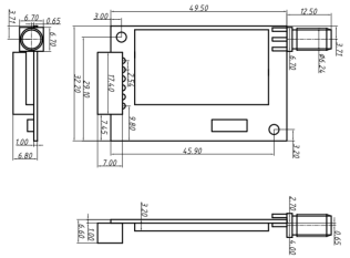
Механические размеры

Описание

Электровые параметры модуля SK 200PRO-U-TX следующие:

Функции и приложение

Особенности модуля беспроводного переключателя SK200PRO-U

  • Функция сети сетки
  • Рабочая частота полоса: 433/470/868/915 МГц.
  • Чувствительность до -132 дБм
  • Встроенный алгоритм сторожевого пса программного обеспечения
  • Встроенная аппаратная схема защиты антикрэша
  • Примененная частота может быть произвольно настроена
  • Несколько рабочих режимов
  • Анти-перекрытие, перенапряжение, схема защиты от подключения
  • Встроенная цепи защиты аппаратного сброса
  • Встроенная антистатическая защита
  • Режим модуляции LORA
  • Мощность передатчика выбирается: (100 МВт ~ 5W)
  • Поддержать параметры беспроводной модификации
  • Диапазон рабочей температуры: -40 ~+85 ° C

Применение модуля беспроводного переключателя SK200PRO-U

  • Цифровой пульт дистанционного управления
  • Система безопасности
  • Беспроводное управление насосом
  • Беспроводное управление удаленным доступом

Типичная схема применения

Механические размеры

Модуль передатчика SK200Pro- R x



Модуль передатчика SK200PR O-U-TX-100M W