LORA1262-915: сертифицированный FCC ID SX1262 915 МГц модуль LORA с защитой ESD

  • Модуль LORA LORA использует устройство SEMTECH SX1262, в котором используется высокий режим кристаллического генератора TCXO, ток ультра-низкого приема и ток сна, а также чувствительность -148 дБМ. Встроенный кристаллический генератор 64 кГц может периодически разбудить микроконтроллер при низком энергопотреблении. Модульный антенный переключатель интегрируется и управляется чипом, который сохраняет ресурсы внешнего MCU. Компактный размер и выходная мощность 22 дБМ (160 МВт) обладают большими преимуществами в приложениях IoT и батареи.
  • LORA1262 соблюдает безвидовое ремесло в производстве и тестировании и соответствует стандартам ROHS и достижению.
  • Lora1262 получила сертификацию FCC ID.
Документы
Функции и приложение
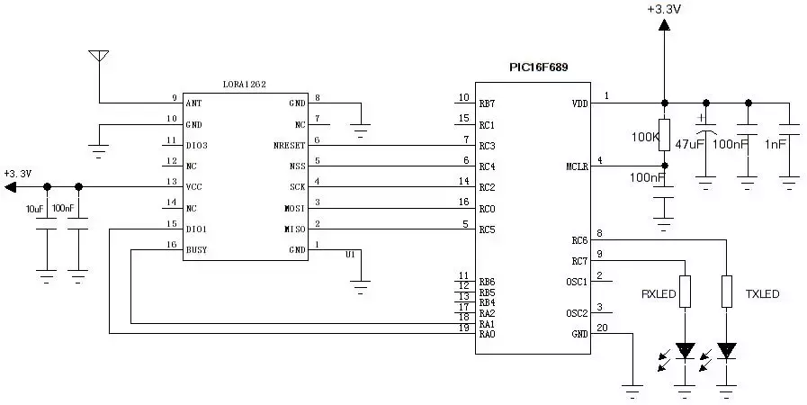
Типичная схема применения
Механические размеры

Функции и приложение

Особенности LORA MODULE LORA1262

  • Диапазон частоты: 915 МГц (настраиваемая 150-960 МГц)
  • Чувствительность : -148DBM @lora
  • Максимальная выходная мощность: 22 дБм (160 МВт)
  • Промышленная оценка высокая точность кристаллического осциллятора
  • Лора, (g) FSK
  • 256 байтов Fifo
  • Скорость передачи данных: 0,6-300 кбит / с @FSK 0,018-62,5 кбит / с @lora

Приложения Lora Module Lora1262

  • Чтение промышленного счетчика
  • Управление датчиками парковки
  • Промышленная автоматизация
  • Сельскохозяйственный датчик
  • Умный город
  • Дистанционное управление
  • Уличные огни
  • Управление логистикой
  • Экологический датчик
  • Здравоохранение
  • Продукты безопасности
  • Управление складом

Типичная схема применения

Механические размеры