LoRa1276-915: сертифицированный FCC ID внешний модуль LoRa 915 МГц SX1276

  • Модуль LoRa LoRa1276 включает в себя чип радиочастотного приемопередатчика Semtech SX1276, который использует метод скачкообразной перестройки частоты модуляции LoRa Spread Spectrum. Его дальность связи и чувствительность приема намного лучше, чем у нынешних модуляций FSK и GFSK. Мультисигналы не будут влиять друг на друга даже в условиях большого скопления людей; он обладает высокой защитой от помех. Этот модульный антенный переключатель интегрирован и управляется чипом. Его компактный размер сочетается с выходной мощностью 100 МВт. Его можно широко использовать в беспроводных счетчиках, удаленном промышленном управлении и других отраслях.
  • LoRa1276 соответствует требованиям бессвинцового производства и испытаний, а также стандартам RoHS и REACH.
  • LoRa1276-915 получил сертификат FCC ID.
Документы
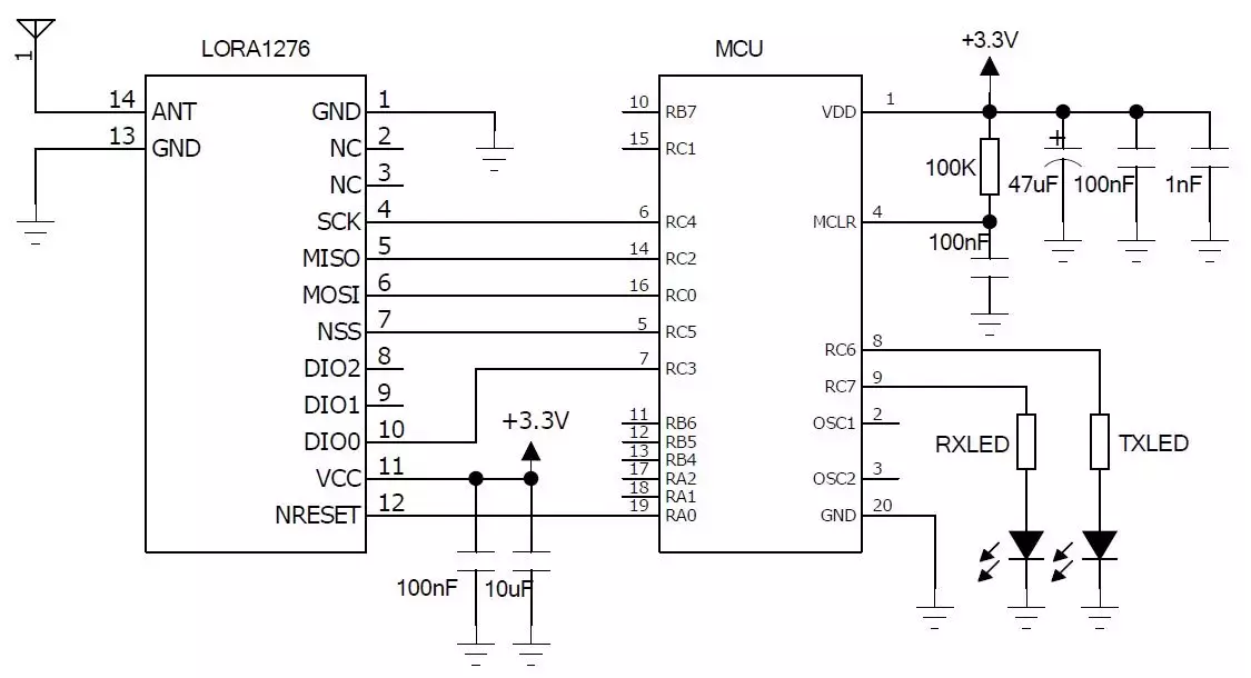
Типичная схема применения
Механические размеры

Документы

Особенности SX1276 LORA MODULE LORA1276

  • Диапазон частоты: 915 МГц (настраиваемая137-1020 МГц)
  • Чувствительность : -139DBM @lora
  • Максимальная выходная мощность: 20 дБм
  • Низкий приемный ток: 10,8 мА
  • Ток сна <1,5UA
  • Скорость передачи данных: 1,2-300 кбит / с @FSK 0,018-37,5 кбит / с @lora,
  • LORA 、 FSK 、 Режим модуляции GFSK
  • Встроенная защита ESD
  • RSSI 127DB Dynamic Range RSSI
  • 256 байтов FIFO & CRC
  • Функция частотного прыжка
  • Встроенный датчик температуры и индикатор с низким батареей
  • Рабочая температура диапазон: -40 ~ +85 ° C

Применение SX1276 LORA MODULE LORA1276

  • Чтение удаленного счетчика
  • Промышленный контроль
  • Домашнее автоматизация дистанционное зондирование
  • Игрушки контроля
  • Сенсорная сеть
  • Мониторинг давления в шинах
  • Мониторинг здоровья
  • Беспроводные ПК Периферийные устройства

Типичная схема применения

Механические размеры