LoRa1281-TCXO: Сертификация FCC ID и CE-RED SX1281 Сертифицированный модуль 2,4 ГГц поддерживает определение диапазона

▎Модуль передатчика и приемника 2,4 ГГц

▎Высокая производительность и надежность для ваших проектов

В мире беспроводной связи модуль передатчика и приемника 2,4 ГГц на основе чипов SX1280/SX1281 от Semtech — это ваш идеальный партнер для разработки. Используя передовую модуляцию LoRa, он обеспечивает превосходное качество связи даже на коротких расстояниях.

▎Преимущества нашего модуля:

• Высокая чувствительность приема: Технология LoRa гарантирует отличную чувствительность, позволяя работать в условиях сильных помех.


• Проникающая способность: Частота 2,4 ГГц обеспечивает надежную связь даже в сложных условиях, таких как промышленные здания.

• Стабильность в экстремальных условиях: Оснащен высокоточным кварцевым генератором TCXO с температурной компенсацией 0,5 ppm для стабильной работы.

• Функция «время полета»: Позволяет реализовывать радиочастотные измерения, открывая новые возможности для ваших проектов.

• Экологическая безопасность: Производится с использованием бессвинцовых технологий и соответствует стандартам RoHS и Reach.

• Сертификация: Модуль имеет сертификаты CE и FCC, подтверждающие его соответствие международным стандартам.

▎Широкие возможности применения

Идеален для систем умного дома, промышленной автоматизации, мониторинга окружающей среды и многого другого.

Не упустите возможность улучшить свои проекты с помощью нашего модуля! Закажите его уже сегодня и убедитесь в его преимуществах на практике.
Документы
Определение пин-кода
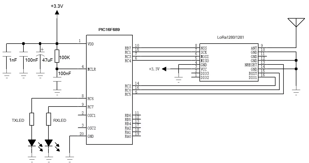
Типичная схема применения
Механические размеры

Определение пин-кода

Особенности передатчика и приемника 2,4 ГГц LORA1281-TCXO

  • Рабочий диапазон частоты: 2400-2500 МГц
  • Двойная сертификация CE & FCC
  • Рабочая температура : -40 ~+85 ° C.
  • Скорость передачи данных:@lora = 0,476-202 кбит / с
  • Максимальная выходная мощность: 12,5 дБм
  • Режим связи пакетов (получение FIFO 256 байт)
  • Высокая точная кристаллическая генератор (0,5 м.ppm Tcxo/10ppm)
  • Диапазон рабочих напряжений: 1,8-3,7 В
  • Чувствительность до 132dbm@lora
  • Модуляция Lora Flrc FSK

Заявки на передатчик и приемник 2,4 ГГц LORA1281-TCXO

  • Беспроводной пульт
  • Умный дом
  • Читатель тегов
  • Управление игрушками
  • Мониторинг давления в шинах
  • Мониторинг здоровья

Типичная схема применения

Механические размеры