LoRa610II: модуль LoRa с низким энергопотреблением 160 мВт, возможностью ячеистой сети и защитой от электростатического разряда

  • LoRa610II — это модуль Uart LoRa, выпущенный NiceRF. Его низкий ток является основными характеристиками. Модуль использует схему чипа LLCC68 и разработан на основе официального стандарта Semtech. Встроенная аппаратная схема самосброса для защиты от сбоев, позволяющая противостоять сильным внешним помехам.
  • Модуль LoRa610II рассчитан на выходную мощность 160 мВт и имеет встроенный небольшой размер, который широко используется в отраслях беспроводного дистанционного управления передачей данных.
  • Модуль LoRa610II поддерживает метод шифрования данных AES128, функция LBT (прослушивание перед разговором) является дополнительной, а узел/маршрутизация/узел+маршрутизация не являются обязательными в режиме MESH.
  • Модули LoRa610II производятся и тестируются строго без использования свинца в соответствии со стандартами RoHS и REACH.
___________________________________________________________________

Связаться с нами
Документы
Спецификации
Особенности и применение
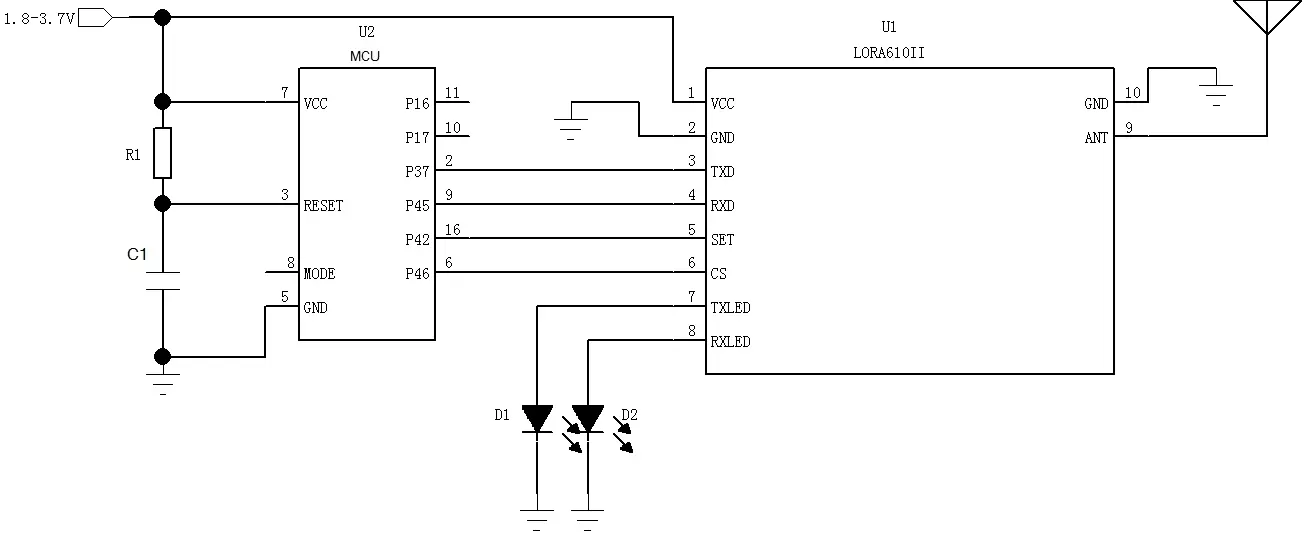
Типичная схема применения
Механические размеры

Спецификации

Сеть MESH
Частота 433 МГц, 470 МГц, 868 МГц, 915 МГц
Модуляция LoRa
Выходная мощность 160 МВт

Особенности и применение

Особенности модуля LoRa LLCC68 LoRa610II

  • Метод шифрования данных AES128
  • Нет слепой зоны без ограничения расстояния. Дальность передачи открытого сигнала одного модуля составляет 5 км при низкой скорости.
  • Диапазон частот: 433/470/868/915 МГц для опции
  • До 40 каналов связи в одном диапазоне частот
  • Разнообразные параметры последовательного порта
  • Диапазон рабочего напряжения: 1,8 ~ 3,7 В
  • Функция LBT (прослушивание перед разговором) опционально
  • Узел/маршрут/узел+маршрут опционально в режиме MESH
  • Встроенная схема защиты от аппаратного сброса
  • ЛоРамодуляция
  • ТТЛ-интерфейс
  • Чувствительность до -129 дБм
  • Максимальная выходная мощность: 160 мВт (+22 дБм)
  • Диапазон рабочих температур: -40 ~ +85 °C.
  • Уровень скачка в режиме MESH
  • Шифрование CRC опционально

Применение модуля LoRa LLCC68 LoRa610II

  • Пульт дистанционного управления
  • Дистанционное считывание показаний счетчика
  • Сбор промышленных данных
  • Телеметрия домашней автоматизации
  • Беспроводная передача данных
  • Система контроля доступа

Типичная схема применения

Типичная схема применения LLCC68 LORA MODULE LORA610II

Механические размеры